北弘產品
咨詢熱線:
13931762407
郵件: 125854791@qq.com
電話:0317-8285333
地址: 河北-泊頭市
-
產品詳情
一、YCB8-0.6圓弧齒輪油泵概述與特點: 二、YCB8-0.6圓弧齒輪油泵用途: 三、YCB型圓弧齒輪泵應用范圍: 四、YCB8-0.6圓弧齒輪油泵電機過熱原因 五、YCB8-0.6圓弧齒輪油泵使用注意事項 七、YCB圓弧齒輪泵性能參數表

YCB8-0.6圓弧齒輪油泵采用了雙圓弧加正弦曲線復合成齒形,可淘汰漸開線齒輪輸送泵。曾獲科技成果項目,圓弧齒輪在兩嚙合齒廓間為一點連續接觸,不會產生困油現象,解決了漸開線齒輪泵因困油現象導致泵的振動、噪聲、軸承負載增大等現象。因此圓弧齒輪泵效率高、噪聲低,并具有良好的節能效果。
YCB8-0.6圓弧齒輪油泵主要有齒輪、軸、泵體、泵蓋、軸承套、軸端密封等組成。齒輪采用雙圓弧正弦曲線齒形制造。
YCB8-0.6圓弧齒輪油泵設有安全閥作為超載保護,安全閥全回流壓力為泵額定排出壓力的1.5倍。也可在允許排出壓力范圍內根據實際需要另行調整。但注意本安全閥不能作減壓閥長期工作,需要時可在管路上另行安裝。
YCB8-0.6圓弧齒輪油泵軸端密封設計為兩種形式,一種為機械密封,一種是填料密封,可根據具體使用情況和用戶要求確定。
YCB8-0.6圓弧齒輪油泵主要用于各種機械設備中的潤滑系統中輸送潤滑油,適用于輸送粘度為5×10-6~1.5×10-3m2/s (5-1500cSt),溫度在200℃以下的具有潤滑性的油料。本系列泵除配置普通電機外,還可根據用戶需要配置同規格的防爆電機。
1、YCB圓弧泵在輸油系統中可用作傳輸,增壓泵;
2、在燃油系統中可用作輸送,加壓,噴射的燃油泵;
3、在液壓傳動系統中可用作提供液壓動力的液壓泵;
4、在一切工業領域中,均可作潤滑油泵用。
1、使用范圍(流量、揚程)超過齒輪油泵設計要求
2、介質比重超過齒輪油泵配置電機
3、填料壓蓋壓的太緊或機械密封彈簧調的太緊
4、泵裝配質量差,有摩擦處或電機與泵軸不同心
1、YCB8-0.6圓弧齒輪油泵使用規定電壓線路電壓不超過泵銘牌上所規定電壓的±10%方可使用。
2、YCB8-0.6圓弧齒輪油泵結構示意圖裝配,接上電動機。
(1)接好進出口管道嚴禁漏氣,進出口不要接反。
(2)電機接上電源,測試電機旋轉方向。
3、YCB8-0.6圓弧齒輪油泵使用前檢查各部件外型完好才能開機使用。
4、YCB8-0.6圓弧齒輪油泵不宜作空運轉,使用時,抽吸完畢,即停泵,否則會加速齒輪密封件軸承等磨損。
5、YCB8-0.6圓弧齒輪油泵防止過載,使用時,凡遇轉速異常或降低時,應即停機檢查。
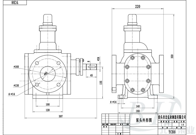
六、YCB8-0.6圓弧齒輪油泵尺寸圖

型號 流量
Q轉速
n
r/min排出壓力
p Mpa必需汽
蝕余量
rm效率
η%電動機 m3/h 頻率
Hz功率KW 型號 YCB0.6-0.6 0.6 910 0.6 5.5 32 50 0.75 Y90S-6 1.0 1390 50 0.75 Y80L2-4 0.7 1130 60 0.75 Y90S-6 1.2 1710 60 0.75 Y80L2-4 YCB0.6-1.6 0.6 910 1.6 7.0 70 50 1.1 Y90L-6 1.0 1400 50 1.5 Y90L-4 0.7 1130 60 1.1 Y90L-6 1.2 1710 60 1.1 Y90S-4 YCB1.6-0.6 1.6 910 0.6 5.5 42 50 0.75 Y90S-6 2.5 1400 50 1.1 Y90S-4 1.9 1130 60 1.1 Y90L-6 3.0 1710 60 1.5 Y90L-4 YCB1.6-1.6 1.6 940 1.6 7.0 71 50 2.2 Y112M-6 2.5 1440 50 4 Y112M-4 1.9 1150 60 2.2 Y112M-6 3.0 1750 60 4 Y112M-4 YCB3.3-0.6 3.3 940 0.6 5.0 60 50 1.5 Y100L-6 5.0 1420 50 2.2 Y100L1-4 4.0 1150 60 1.5 Y100L-6 6.0 1730 60 2.2 Y100L1-4 YCB3.3-1.6 3.3 960 1.6 7.0 72 50 5.5 Y132M2-6 5.0 1440 50 7.5 Y132M-4 4.0 1170 60 4 Y132M1-6 6.0 1750 60 7.5 Y132M-4 YCB4-0.6 4.0 940 0.6 5.0 60 50 1.5 Y100L-6 6.0 1420 50 2.2 Y100L1-4 4.8 1150 60 2.2 Y112M-6 7.2 1730 60 3 Y100L2-4 YCB4-1.6 4.0 960 1.6 7.0 72 50 5.5 Y132M2-6 6.0 1440 50 7.5 Y132M-4 4.8 1170 60 5.5 Y132M-6 7.2 1750 60 7.5 Y132M-4 YCB8-0.6 8.0 960 0.6 5.0 61 50 3 Y132S-6 12.0 1440 50 5.5 Y132S-4 9.6 1170 60 4 Y132M1-6 14.4 1750 60 5.5 Y132S-4 YCB8-1.6 8.0 970 1.6 7.0 75 50 11 Y160L-6 12.0 1460 50 15 Y160L-4 9.6 1170 60 11 Y160L-6 14.4 1760 60 15 Y160L-4 YCB10-0.6 10.0 960 0.6 5.0 62 50 4 Y132M1-6 15.0 1440 50 5.5 Y132S-4 12.0 1170 60 5.5 Y132M2-6 18.0 1750 60 7.5 Y132M-4 YCB10-1.6 10.0 970 1.6 7.0 76 50 11 Y160L-6 15.0 1470 50 15 Y160L-4 12.0 1170 60 11 Y160L-6 18.0 1770 60 18.5 Y160L-4 YCB20-0.6 20.0 970 0.6 5.0 68 50 7.5 Y160M-6 24.0 1170 60 7.5 Y160M-6 YCB25-0.6 25.0 970 0.6 5.5 69 50 11 Y160L-6 30.0 1170 60 11 Y160L-6 YCB30-0.6 30.0 970 0.6 5.5 70 50 11 Y160L-6 36.0 1170 60 11 Y160L-6 YCB40-0.6 40.0 970 0.6 5.5 72 50 15 Y180L-6 48.0 1180 60 15 Y180L-6 YCB50-0.6 50.0 970 0.6 5.5 72 50 22 Y200L2-6 60.0 1180 60 22 Y200L2-6





