北弘產品
咨詢熱線:
13931762407
郵件: 125854791@qq.com
電話:0317-8285333
地址: 河北-泊頭市
-
產品詳情
YCB30-0.6圓弧齒輪泵用途: YCB圓弧齒輪泵結構特點: YCB圓弧齒輪泵應用范圍: YCB30-0.6圓弧齒輪泵組安裝時注意事項 YCB30-0.6圓弧齒輪泵首次啟動前注意事項: YCB圓弧齒輪泵性能參數表
適用于輸送不含固體顆粒和纖維,無腐蝕性,溫度不高于80℃,粘度為5×10-6~1.5×10-3m2/s(5-1500cSt)的潤滑油或性質類似潤滑油的其它液體,以及用于液壓傳動系統。
YCB30-0.6圓弧齒輪泵主要有齒輪、軸、泵體、泵蓋、軸承套、軸端密封等組成。齒輪采用雙圓弧正弦曲線齒形制造。它與漸開線齒輪相比突出的優點是齒輪嚙合過程中齒廓面沒有相對滑動,所以齒面無磨損,運轉平穩,無因液現象,噪音低、壽命長、效率高。該泵擺脫了傳統設計的束縛,使得齒輪泵在設計、生產和使用上進入了一個新的領域。
YCB30-0.6圓弧齒輪泵設有安全閥作為超載保護,安全閥全回流壓力為泵額定排出壓力的1.5倍。也可在允許排出壓力范圍內根據實際需要另行調整。但注意本安全閥不能作減壓閥長期工作,需要時可在管路上另行安裝。
泵軸端密封設計為兩種形式,一種為機械密封,一種是填料密封,可根據具體使用情況和用戶要求確定。
從主軸外伸端向泵看,為順時針旋轉。
在輸油系統中可用作傳輸,增壓泵;
在燃油系統中可用作輸送,加壓,噴射的燃油泵;
在液壓傳動系統中可用作提供液壓動力的液壓泵;
在一切工業領域中,均可作潤滑油泵用。
在安裝YCB30-0.6圓弧齒輪泵時泵進口禁止有急據彎頭,盡量可能向下傾斜30度左右,以方便排除進口管道的空氣,達到理想的吸液狀態,避免造成氣蝕現象,啟動YCB30-0.6圓弧齒輪泵之前應盤動聯軸器無卡死以及盤動困難的現象,在使用過程中應該掌握YCB30-0.6圓弧齒輪泵的運轉周期定期更換備件和軸承以防出事故耽誤生產。進口流量過少不宜運行,以避免引起震動。
1 啟動前檢查全部管路法蘭,接頭的密封性。
2 盤動聯軸器,無摩擦及碰撞聲音。
3 首次啟動應向泵內注入輸送液體。
4 啟動前應全開吸入和排出管路中的閥門,嚴禁閉閥啟動。
5 驗證電機轉動方向后,啟動電機。
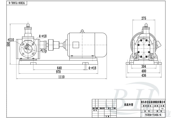
YCB30-0.6圓弧齒輪泵機組外形尺寸圖
型號 流量
Q轉速
n
r/min排出壓力
p Mpa必需汽
蝕余量
rm效率
η%電動機 m3/h 頻率
Hz功率KW 型號 YCB0.6-0.6 0.6 910 0.6 5.5 32 50 0.75 Y90S-6 1.0 1390 50 0.75 Y80L2-4 0.7 1130 60 0.75 Y90S-6 1.2 1710 60 0.75 Y80L2-4 YCB0.6-1.6 0.6 910 1.6 7.0 70 50 1.1 Y90L-6 1.0 1400 50 1.5 Y90L-4 0.7 1130 60 1.1 Y90L-6 1.2 1710 60 1.1 Y90S-4 YCB1.6-0.6 1.6 910 0.6 5.5 42 50 0.75 Y90S-6 2.5 1400 50 1.1 Y90S-4 1.9 1130 60 1.1 Y90L-6 3.0 1710 60 1.5 Y90L-4 YCB1.6-1.6 1.6 940 1.6 7.0 71 50 2.2 Y112M-6 2.5 1440 50 4 Y112M-4 1.9 1150 60 2.2 Y112M-6 3.0 1750 60 4 Y112M-4 YCB3.3-0.6 3.3 940 0.6 5.0 60 50 1.5 Y100L-6 5.0 1420 50 2.2 Y100L1-4 4.0 1150 60 1.5 Y100L-6 6.0 1730 60 2.2 Y100L1-4 YCB3.3-1.6 3.3 960 1.6 7.0 72 50 5.5 Y132M2-6 5.0 1440 50 7.5 Y132M-4 4.0 1170 60 4 Y132M1-6 6.0 1750 60 7.5 Y132M-4 YCB4-0.6 4.0 940 0.6 5.0 60 50 1.5 Y100L-6 6.0 1420 50 2.2 Y100L1-4 4.8 1150 60 2.2 Y112M-6 7.2 1730 60 3 Y100L2-4 YCB4-1.6 4.0 960 1.6 7.0 72 50 5.5 Y132M2-6 6.0 1440 50 7.5 Y132M-4 4.8 1170 60 5.5 Y132M-6 7.2 1750 60 7.5 Y132M-4 YCB8-0.6 8.0 960 0.6 5.0 61 50 3 Y132S-6 12.0 1440 50 5.5 Y132S-4 9.6 1170 60 4 Y132M1-6 14.4 1750 60 5.5 Y132S-4 YCB8-1.6 8.0 970 1.6 7.0 75 50 11 Y160L-6 12.0 1460 50 15 Y160L-4 9.6 1170 60 11 Y160L-6 14.4 1760 60 15 Y160L-4 YCB10-0.6 10.0 960 0.6 5.0 62 50 4 Y132M1-6 15.0 1440 50 5.5 Y132S-4 12.0 1170 60 5.5 Y132M2-6 18.0 1750 60 7.5 Y132M-4 YCB10-1.6 10.0 970 1.6 7.0 76 50 11 Y160L-6 15.0 1470 50 15 Y160L-4 12.0 1170 60 11 Y160L-6 18.0 1770 60 18.5 Y160L-4 YCB20-0.6 20.0 970 0.6 5.0 68 50 7.5 Y160M-6 24.0 1170 60 7.5 Y160M-6 YCB25-0.6 25.0 970 0.6 5.5 69 50 11 Y160L-6 30.0 1170 60 11 Y160L-6 YCB30-0.6 30.0 970 0.6 5.5 70 50 11 Y160L-6 36.0 1170 60 11 Y160L-6 YCB40-0.6 40.0 970 0.6 5.5 72 50 15 Y180L-6 48.0 1180 60 15 Y180L-6 YCB50-0.6 50.0 970 0.6 5.5 72 50 22 Y200L2-6 60.0 1180 60 22 Y200L2-6





